Premium Quality Inflatable Boats!

SALE 50% OFF
QUALITY BOATS SINCE 1999
SALE 50% OFF
QUALITY BOATS SINCE 1999
SALE 50% OFF
QUALITY BOATS SINCE 1999

Rowing Frame For 1 Person

Compare to $800 and up from other retailers!

$139
WAS: $278  
Sale
ROWRAFT
$39
Out of stock
Have a question about ROWRAFT? We'll reply quickly
Ask a question
We'll reply quickly
Ask question about ROWRAFT ?

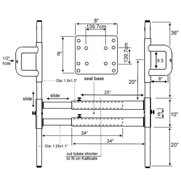
Adjustable Width Rowing Frame for Inflatable Boats, KaBoats and River Rafts

Easy to assemble and disassemble rowing frame allows more comfort for fishing and rowing than regular aluminum bench on inflatable boat. You can install swivel platform and comfortable folding fishing chair to better fit and longer hours of fishing.

Frame width is adjustable to fit variety of raft and boats. Anywhere from narrow KaBoat to SD518 Saturn boat and most rafts. To fit on more narrow KaBoats, as a DIY project, frame tubes need to be cut shorter with hacksaw, and holes need to be re-drilled to use screws to keep frame at set width.

Folding frame made of heavy duty, rust resistant anodized aluminum. Can be disassembled for easy storage and portable transportation. To use this frame you will need following optional accessories (not sold by BoatsToGo.com): seat of adjustable straps to secure frame to at least 4 attachment points, rowing oars, oarlocks, swivel base and fishing chair.

Optional Parts


If boat or rafts does not have attachment points, such as D-rings on sides or splash guards with grommets on top of tubes, then optional glue-on D-ring patches need to be glued on both sides of raft or boat to use with lashing tie downs.

  • Extends up to 64" wide. 
  • Shipping Size: 67x11x4"
  • Shipping Weight: 20 lbs
  • Product Weight: 17 lbs
  • Larger tube: outer dia 1.5", inner dia 1.3"
  • Smaller tube: outer dia 1.25", inner dia 1.1"

PLEASE NOTE: Swivel, chair, straps, oars and oarlocks are NOT included, but can be purchased separately at many retail stores at very affordable prices. U-bolts are provided as free bonus gift, so that to secure swivel to seat platform included with this rowing frame.

Installation instructions are not included, as it is new, customized product available in a small batch production run. However, assembly pretty much strait forward, as shown on pictures posted in this web page.

Quick Tips:
  • You may need to cut out perpendicular tubes shorter to make it easier to fit inside main frame for narrower type of boats, such as KaBoat.
  • We recommend using WD40 to make assembly/disassembly easier.
  • When inserting or removing side frame into or from main frame, try to hold both hands at both insertion points at the same time, and then move side frame inside or outside at equal distances/steps in order to avoid side frame getting stuck under the angle inside main frame. If it happen, step on side frame, spray with WD40 and pull main frame slowly, or use rubber mallet.

Rowing Frame Unboxing And Assembly.


Fishing seats can be purchased on Amazon, just search for folding fishing seat. Holes on bottom of seat will match holes on metal plate that comes with frame.

Swivel can be mounted between seat and plate. Just search Amazon for seat swivel.

Also, quick disconnect can be added to easily remove fishing seat from frame. Just search Amazon for boat seat quick disconnect.

Outer Tube:
OD32x1.8 mm
Inner Tube:
OD25.6x1.6 mm
Built fine, but description inaccurate. Arrived fast and in good shape - would be great for most. But for my plans, there's an issue (minor for most but a big deal for me). The larger tube used is not to the specifications listed on this site. Instead of 1.5"/1.3" OD/ID, it is 1.45/1.3. This reduces the wall thickness from .1 to .07 - doesn't sound like a lot but that's a different aluminum stock and makes it much less strong and not interact well with other aluminum I planned to join with this.
My box arrived damaged, apparently, it was mishandled during shipping and some bolts fell out in transit, I contacted boats to go and they quickly got me replacement parts. The product works as advertised and I had an overall great experience with boats to go. Good lads over there.
Good build quality, well manufactured and affordable, not much else you can say... It arrived on time and it was well packaged. 5 stars from me.
I really like having the option to row if necessary, this was very straightforward to install and had no issues with it. Good job.
The oar setup with the original purchase is ok but it does not compare to a proper rig like this, this is much easier to use and you can move about much faster. Its pretty simple to assemble and I opted to keep it on my boat permanently, I find it its a better option for me since fitness was one of my goals for this purchase, I try to row everywhere I go and I also have a small trolling motor in case I need it. This was a great desicion and I am glad I signed up for the mailing list.

You may also be interested in